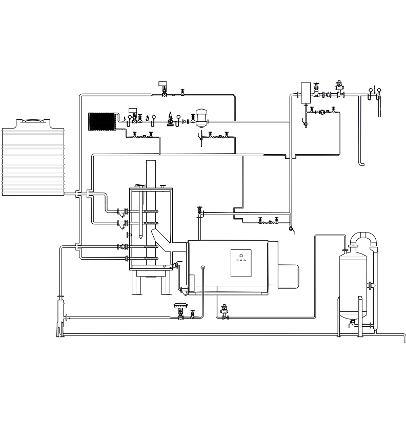
Boiler Controls & Systems

• Calorifiers and Hot Water Storage

• Deaerators

• Hotwell Feedwater and Fuel Tanks

• Water Treatment Plants

• Full Range Spare Parts

• Feedwater / Circulating Pumps

• Blowdown Tanks

• Chimney Stacks

• Insulation and Cladding

• Valve reconditioning & Certification

• Steam Line Design and Installations

• Boiler House Design and Installations

• Boiler Operator and Management Training

• ARI, Spirax Sarco & VMV valves and many other brands